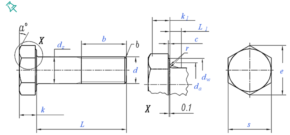
Externe zeshoekschroeven en bouten zijn fundamentele bevestigingsmiddelen die worden herkend voor hun zeszijdige hoofdontwerp, ontworpen om een hoge koppeltransmissie en mechanische stabiliteit te leveren in industriële toepassingen. Vervaardigd uit koolstofstaal (graden 8,8, 10,9 of 12,9) of aangepaste legeringen, variëren deze bevestigingsmiddelen van miniatuur M1.6 draden tot zware M64-diameters, met lengtes van 12 mm tot 500 mm om te voldoen aan diverse eisen voor het dragen van belastingen. De externe hexkop zorgt ervoor dat sleutel- of socket -engagement zorgt voor een veilige aanscherping in beperkte ruimtes - kritisch voor het monteren van machinekaders, structurele staalverbindingen of auto -componenten waar trillingsweerstand van het grootste belang is.
Oppervlaktebehandelingen zoals warm-dip galvaniserende gevechtsroest in buitenomgevingen (bijvoorbeeld bruggen, transmissietorens), terwijl zwarte oxidecoatings lichtreflectie in precisie-optiek of militaire hardware verminderen. Speciale afwerkingen zoals PTFE of elektroforetische verf verbeteren de chemische weerstand voor gebruik in chemische verwerkingsinstallaties of mariene apparatuur. Aangepaste kleurcodering (blauw, rood) helpt bij voorraadbeheer of veiligheidsprotocollen, onderscheidend belastingbeoordelingen of materiaalcijfers ter plaatse. Met gestandaardiseerde draadtoleranties en treksterkten voldoen deze bouten aan ISO- en ASTM-specificaties, waarbij de kostenefficiëntie in evenwicht is met prestaties voor industrieën variërend van hernieuwbare energie tot zware productie. Hun aanpassingsvermogen in materiaal, coating en grootte maakt hen een universele oplossing voor ingenieurs die prioriteit geven aan duurzaamheid, installatiegemak en naleving van rigoureuze mechanische normen.


























